袋式除尘器由框架,箱体,滤袋,清灰装置,输灰装置共同组成.
电除尘器是利用高压放电、高压集尘来达到除尘目的环保设备,放电极工作在负高电压状态下,放电极排的支撑及放电极振打装置的力矩传递必须依靠瓷、石英等绝缘件,由于粉尘容易黏结在绝缘件表面,引起绝缘件表面高压爬电,造成绝缘件的频繁...
总结了滤袋破损失效的主要原因,并提出相应的解决措施,对延长滤袋使用寿命具有一定的参考价值.
布袋除尘器由滤料制成袋状或筒状过滤元件来捕集含尘烟气中粉尘的除尘设备,是一种干式滤尘装置.含尘烟气通过滤袋外表面,粉尘被阻留在滤袋的外部,干净气体从滤袋的内腔流出,进入上部净化室排出.
电除尘器除尘效率与很多因素有关,其主要影响因素分为三大类:①工况条件,②除尘器技术状况,③运行条件.
电除尘器主要可以分为电除尘器本体,电源,控制系统,辅助系统四个系统.
旋转电极除尘器的工作原理与传统电除尘器一样,仍然是依靠静电力来收集粉尘,属于静电除尘技术的一种.
静电除尘器是在高压静电场的作用下,使两极(阴极和阳极)间的气体电离,产生大量的自由电子,正负离子,从而在烟气通过电场时使烟尘颗粒与所电离的自由电子和正负离子结合而荷电,随后荷电粒子在电场力的作用下分别向异极电极移动.
DFE系统通过将进气气流引入一个沉降区巧妙地减轻滤筒的过滤负载,DFE专利的MaxPulse清灰系统的设计特别注重压缩空气的路径,使压缩空气的能量有效地均匀分布在滤材表面.
智能分析作为平台最重要的功能之一,需要通过时间维度上大量历史数据和空间维度上的多类数据的整合分析结合数学模型算法,经过数据运算,从而分析出除尘器运行状况,本文提出的智能分析区别于传统的袋式除尘器状态分析的核心要素之一就是...
随着电子技术的进步,特别是集成电路防干扰性能的提高,电控脉冲喷吹技术日趋成熟并广泛应用.
脉冲阀由阀体,阀盖,膜片,弹簧等零件组成
防尘口罩是在高粉尘作业环境下不可或缺的防护品,为了避免口罩的浪费,从经济循环的角度来看,清洗防尘口罩的试验研究是非常有意义的.
目前国内直排口的除尘已经得到了高度的重视与关注,且大多数已安装CEMS系统,实现了在线监测,而散点除尘相对来说,还不严格,目前的散点除尘主要为气箱脉冲除尘,单机除尘,机械振动除尘等,它们的缺点是针对有限空间,无法适应维修...
工业VOCs的收集处理越来越受到各类工业企业的接受和重视,不仅减少对大气的污染,更是对企业员工的操作环境和人身健康起到重要作用.
:袋式除尘器在运行过程中的各类数据,需要实时监控,传统方式是通过以太网协议或modbusRTU协议将PLC中的所有数据传输至中控室工控机的组态软件中,研究将最新的物联网技术运用于除尘器的控制系统中,通过5G网络,远程诊断...
涉及大气污染治理与干法脱硫,脱硝处理技术,能够极大提高处理系统的反应效率,减小系统占地面积,降低系统布置难度及制作材料损耗,节省能源消耗,强化对系统运行数据的把控,提高售后检修效率,大大促进干法或半干法脱硫,脱硝系统在我...
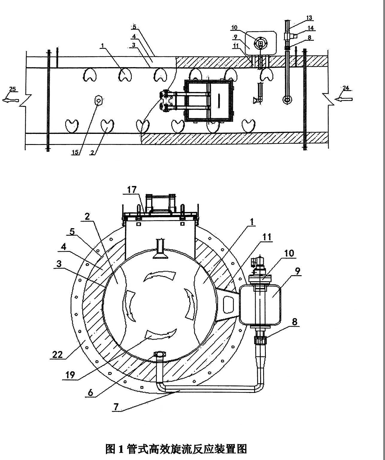
涉及大气污染治理与干法脱硫,脱硝处理技术,是一种管式高效旋流反应装置;该装置的有益效果是:具有模块式的结构设计特征,由反应装置主体,辅助功能模块及附属机构构成,是一种主要应用于干法或半干法脱硫,脱硝处理系统的反应装置,既...
用袋式除尘技术开发与应用描述:此研究提出全新的干法除尘回收技术,在满足炉压波动和炉温波动范围极小等特殊工艺要求的前提下,通过袋式除尘技术高效干法回收废气中有价值的二氧化硅粉体,该技术工艺流程短,回收物料效率高,颗粒物排放...
高温超净电袋复合除尘器是在一个箱体内紧凑安装电场区和滤袋区,有机结合静电除尘和过滤除尘两种机理的一种除尘器.